




100 عدد ترانزیستور BU508a
نو
شماره کالا: 35531179
زمان باقیمانده:
قیمت پایه:
5٬500٬000 تومان
مشخصات کالا
| نوع | NPN |
توضیحات بیشتر
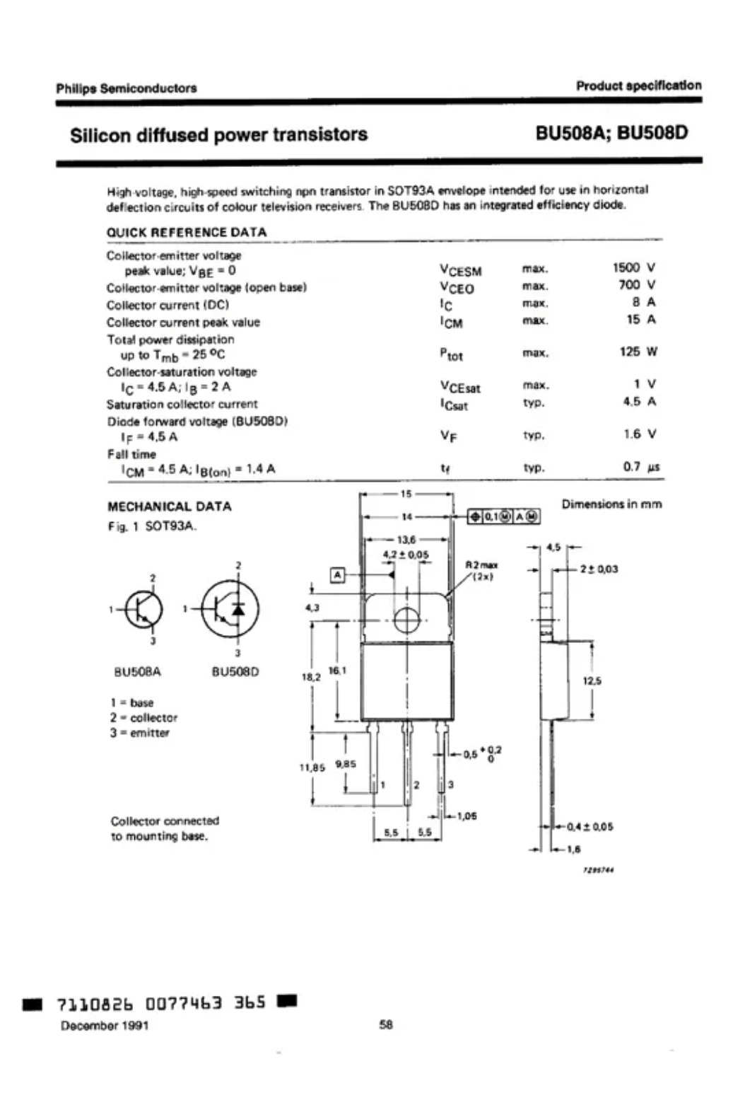
ترانزیستور سویچینگ BU508A
700 ولت ، 8 آمپر ، 125 وات
قابل مصرف جهت مدارهای یونیورسال و سوئیچینگ
ارسال رایگان
با حداقل 2,000,000 تومان خرید از این فروشنده