





آی سی مقایسه کننده فاز (توشیبا ژاپن)
نو
شماره کالا: 35340233
135٬000 تومان
24 عدد از این کالا موجود است
مشخصات کالا
| نوع | سایر |
توضیحات بیشتر
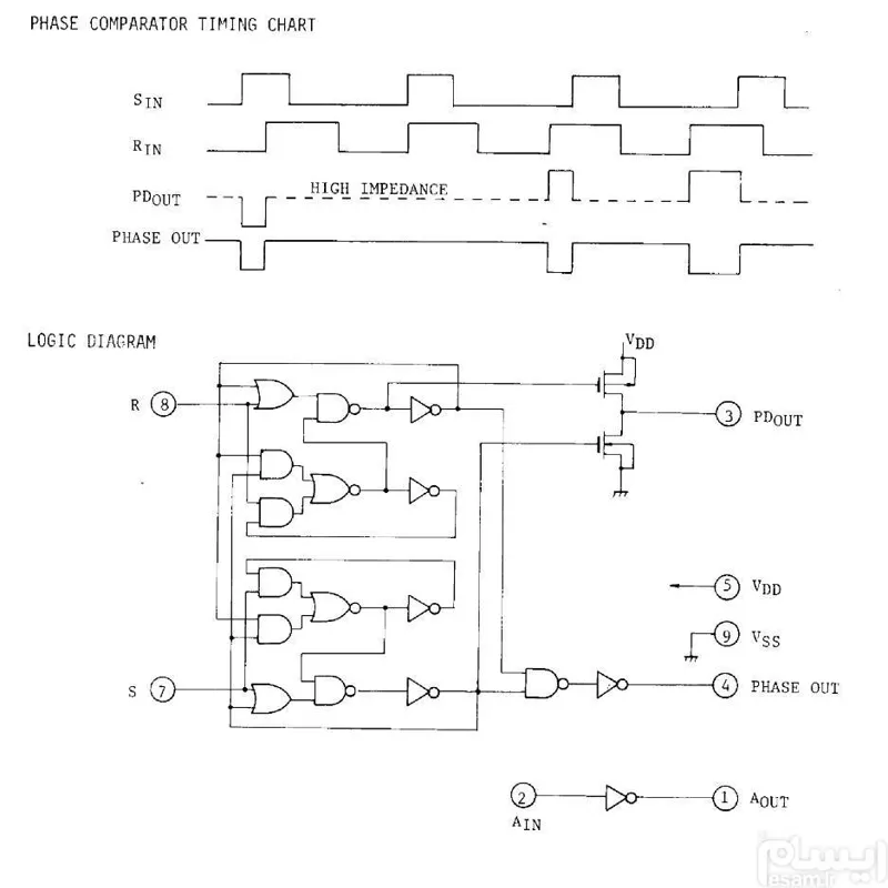
آی سی TC5081AP مقایسه کننده فاز ساخت کمپانی توشیبا.
مناسب جهت طراحی انواع اسیلاتور ها با فرکانس بالا
اطلاعات کاملتر در دیتا شیت آی سی قابل رویت است.
ارسال رایگان
با حداقل 2,000,000 تومان خرید از این فروشنده