دستهها
مزایدات
فروش کالا
ایسام
لوازم الکتریکی و الکترونیکی
قطعات الکترونیک
آی سی و میکرو کنترلر
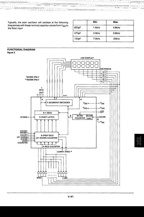
آی سی کانتر یا شمارنده MK59399N
آی سی کانتر یا شمارنده MK59399N
نو
شماره کالا: 34901966
95٬000 تومان
3 عدد از این کالا موجود است
افزودن به سبد خرید
سوال از فروشنده
نشان کردن
گزارش تخلف
اشتراکگذاری
مشخصات کالا
توضیحات بیشتر
مشخصات کالا
نوع
سایر
توضیحات بیشتر
آی سی کانتر یا شمارنده
MK59399N
ساخت مالزی
فروشنده
u51ak398
عملکرد
بسیار خوب
حرفهای
نظرات خریداران
در 198 فروش موفق
189
راضی
7
قابل قبول
1
ناراضی
کالاهای فروشنده
خرید از ایسام، دارای ضمانت بازگشت پول است