





(کد 360) استپ موتور 2 فاز 1.8درجه
دست دوم
شماره کالا: 32850278
150٬000 تومان
19 عدد از این کالا موجود است
مشخصات کالا
| توان | نامشخص |
| ولتاژ | در لیست نیست |
توضیحات بیشتر
> پارت نامبر این موتور یا 23LM-C355-P13V و یا 23LM-C355-P7V می باشد و از لحاظ کارکرد هیچ تفاوتی با هم ندارند . 3 کد آخر این موتور مربوط به نوع فولی یا چرخ دنده سر موتور است که همگی از شفت موتور جداسازی
شده اند <
کاملا سالم و تضمینی
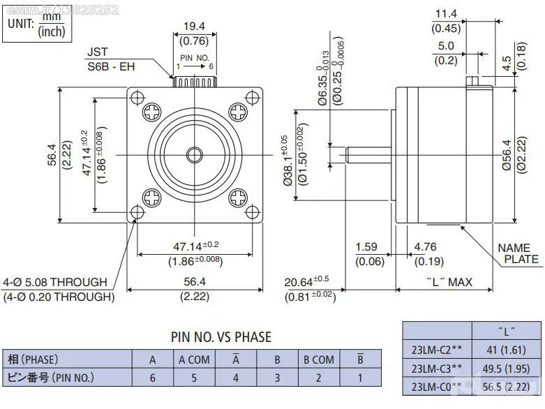
- عرض : 56 mm
- ارتفاع : 49 mm
- طول شفت : 20 mm
- قطر شفت : 6.34 mm
- وزن : 450 gr
- گشتاور نگهدارنده: 450mN.m
- اینرسی روتور: 110 g-cm^2
- زاویه هر پله : 1.8 deg
- فاز : 2
- جریان : 1.5 A/Phase
- مقاومت هر فاز : 1.8 اهم
- تعداد سیم اتصال : 4
- شرکت سازنده : MINEBEA
- کشور سازنده : تایلند
- استپر موتور MINEBEA 23LM-C355-P7V
- ولتاژ: 2.5 V
- جریان بر فاز:2 A
- رزولوشن:1.8 درجه
سایر محصولات فروشگاه:
1- DC موتور
2- سروو موتور DC
3- فن
4- پمپ
5- چرخ دنده، پولی و تسمه
6- موتور AC
7- استپ موتور 2 فاز (2 فاز بایپلار)
8- استپ موتور 3 فاز
8- استپ موتور 3 فاز
9- استپ موتور 4 فاز (2 فاز آنپلار)
10- استپ موتور 5 فاز
11- منبع تغذیه
12- لرزه گیر
|
|